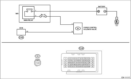
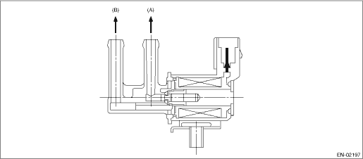
Dtc p0458 clearance
Dtc p0458 clearance, Subaru Crosstrek Service Manual - Dtc p0458 evap system (cpc) purge control valve \ clearance
SKU: 00c64bc6

Buy now.
Pay later.
Earn rewards
Representative APR: 29.9% (variable)
Credit subject to status. Terms apply.
Missed payments may affect your credit score
FrasersPlus
Available Products